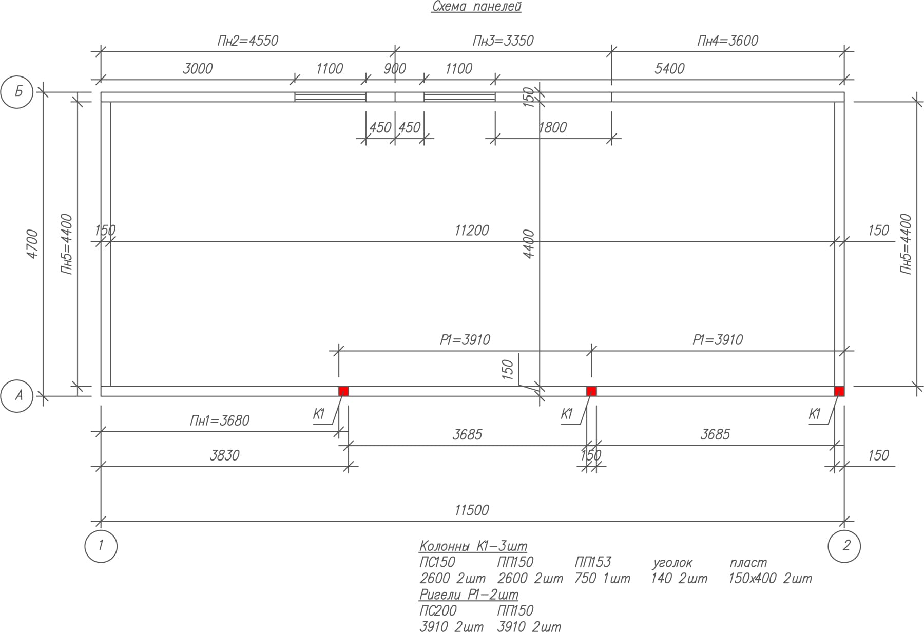
Павильон размером 4,7 на 11,5 метра, выполненный с использованием технологии ЛСТК, обладает следующими преимуществами:
Лёгкость и прочность: Стальные профили ЛСТК обеспечивают высокую прочность при относительно малом весе, что снижает нагрузку на фундамент и несущие конструкции.
Скорость монтажа: Благодаря точности изготовления элементов и простоте их соединения, монтаж павильона осуществляется значительно быстрее по сравнению с традиционными методами строительства.
Долговечность: Стальные конструкции устойчивы к коррозии и воздействию внешних факторов, что обеспечивает долгий срок службы павильона.
Экономичность: Использование ЛСТК позволяет сократить затраты на материалы и трудозатраты, что делает строительство более экономичным.
Гибкость в проектировании: ЛСТК позволяет реализовать различные архитектурные решения и адаптироваться к индивидуальным требованиям заказчика.
В данном примере:
Стены наружные шириной профиля 150 мм;
Внутренние — 100 мм;
Усиление витражного проема;
Кровля двускатная по фермам (свес 0,5м и 0,6м);
Обрешеточный профиль на кровлю, шагом 350 мм.
Использование ЛСТК для строительства павильона позволяет значительно сократить сроки и затраты на строительство, обеспечивая высокое качество и надежность конструкции.
Нужен павильон? ЗВОНИТЕ!
