
Несколько причин, почему кровля из ЛСТК является отличным выбором:
Прочность и долговечность: Стальные профили ЛСТК обладают высокой прочностью и устойчивостью к коррозии, что обеспечивает долгий срок службы кровли.
Лёгкость конструкции: ЛСТК имеет относительно малый вес, что снижает нагрузку на несущие конструкции здания и упрощает монтаж.
Скорость монтажа: Благодаря точности изготовления элементов и простоте их соединения, монтаж кровли из ЛСТК осуществляется быстро и эффективно.
Экономичность: Использование ЛСТК позволяет сократить затраты на материалы и трудозатраты, что делает строительство более экономичным.
Гибкость в проектировании: ЛСТК позволяет реализовать различные архитектурные решения и адаптироваться к индивидуальным требованиям заказчика.
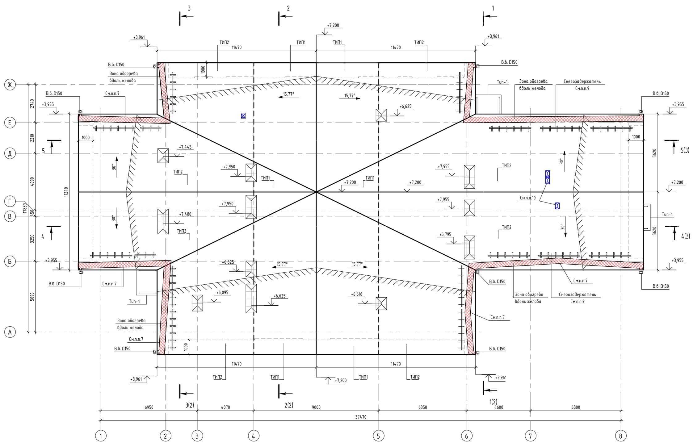
На строительство каркаса кровли 17,83 на 37,47 м. из ЛСТК, потребовалось профилей оцинкованных: ТПП200/1.5 440 м.п., ПП200/1.5 82 м.п., уголока 50*70 11 м.п.; весом 1739,10 кг. На обрешётку кровли пошло 780 м.п. ПШ40. Винтов самонарезающих 5500 штук. Район строительства г. Белгород, здание общественного центра.
Кровля из ЛСТК — это надёжное и экономичное решение, которое обеспечивает высокое качество и долговечность конструкции. Задумываетесь о строительстве кровли? ЗВОНИТЕ!